Blok dystrybutora oleju VSD
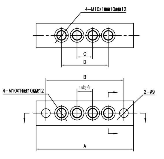
Bloki kolektora dystrybucji oleju VSD dokładnie rozprowadzają smar lub olej z pompy smarowania do każdego punktu smarowania zgodnie z ustalonym stosunkiem, zapewniając jednolite i niezawodne smarowanie wszystkich poruszających się elementów. Wyposażony w kompaktową konstrukcję i łatwą instalację, można go sparować z ręcznymi lub elektrycznymi pompami smarowania zgodnie z wymaganiami. System obsługuje również złączki wpychane, złączki zaciskowe i inne akcesoria, umożliwiając elastyczny i wydajny układ rurociągów smarujących odpowiedni dla różnych konfiguracji sprzętu.
CN
EN
ru
fr
de
es
pt
ar
hi
id
tr
it
pl
nl



