AOP Pompa smarowania kołnierza koła
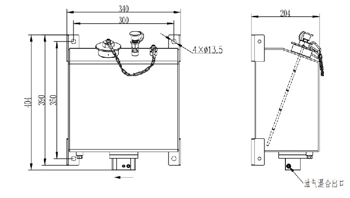
Pompa działa poprzez dozowanie homogenizowanego smaru, przy czym objętość jest wstępnie ustawiona na pompie. Używając sprężonego powietrza jako medium transportowego, dostarcza smar przez dystrybutory przepływu do dysz rozpylających, gdzie jest równomiernie nakładany na kołnierz koła. System wymaga tylko jednej linii do transportu zarówno smaru, jak i sprężonego powietrza.
Gdy warunki przepływu w liniach wylotowych są podobne, mieszanina powietrze-smar jest równo dzielona w rozdzielaczu przepływu. Kompletny system składa się ze zbiornika, pompy tłokowej, rozdzielaczy przepływu i odpowiednich dysz natryskowych. Wszystkie ruchome elementy są zintegrowane z modułem smarowania, co ułatwia dostęp i wymianę. Ponieważ ani dystrybutory przepływu, ani dysze natryskowe nie zawierają ruchomych części, czas konserwacji i koszty są znacznie zmniejszone.
CN
EN
ru
fr
de
es
pt
ar
hi
id
tr
it
pl
nl

